高雄 排油煙機 拋棄式免洗油杯 - 集油槽型﹝油槽型 20入﹞
$75
商品圖片




庫存表
| 型號 | |
|---|---|
| Q7580 | 現貨 18 件 |
商品描述
⭐️商品標題有寫『限定區域送基本安裝』,則售價包含基本安裝(有限定地區),材料費及施工費另計
⭐️售價含基本安裝服務限北市、新北市、桃園市、台中市、台南市、高雄市,屏東市,偏遠地區及山區除外
⭐️本商品贈送基本安裝服務,如不需安裝,恕不另行退費,本公司保留寄送到指定地區的權限
⭐️基本安裝不包含現場額外使用的管材費,額外管材費用需由客自行負擔
※【下單提醒】※
請務必備註方便聯繫安裝的聯絡電話, 或是在問問留下安裝資料,並請提供安裝環境照片供確認
以免聯繫不上您,無法確認訂單,影響後續安裝進度
📌如下標表示同意以上📌
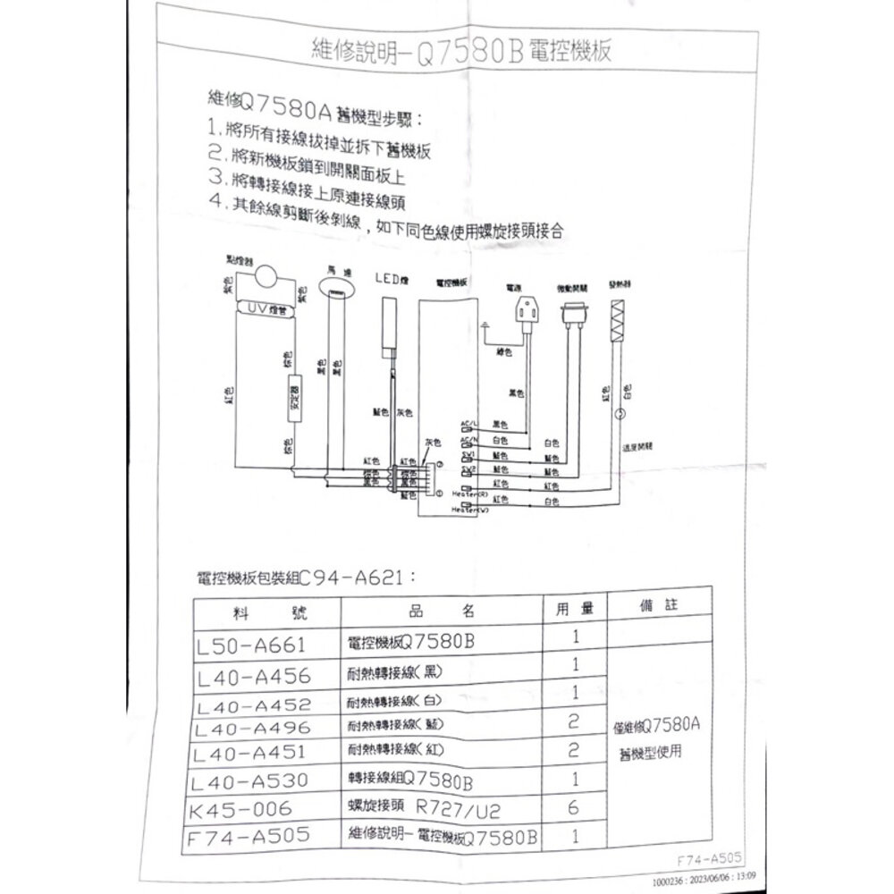
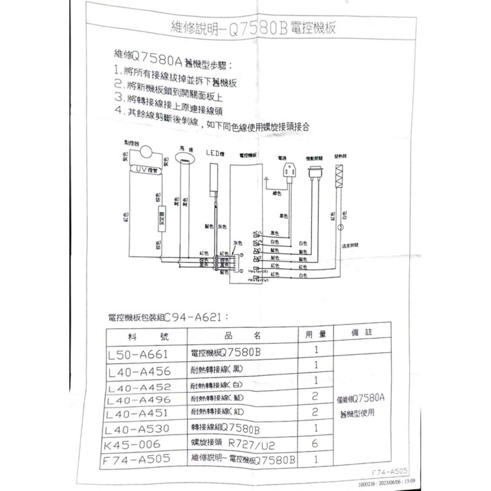
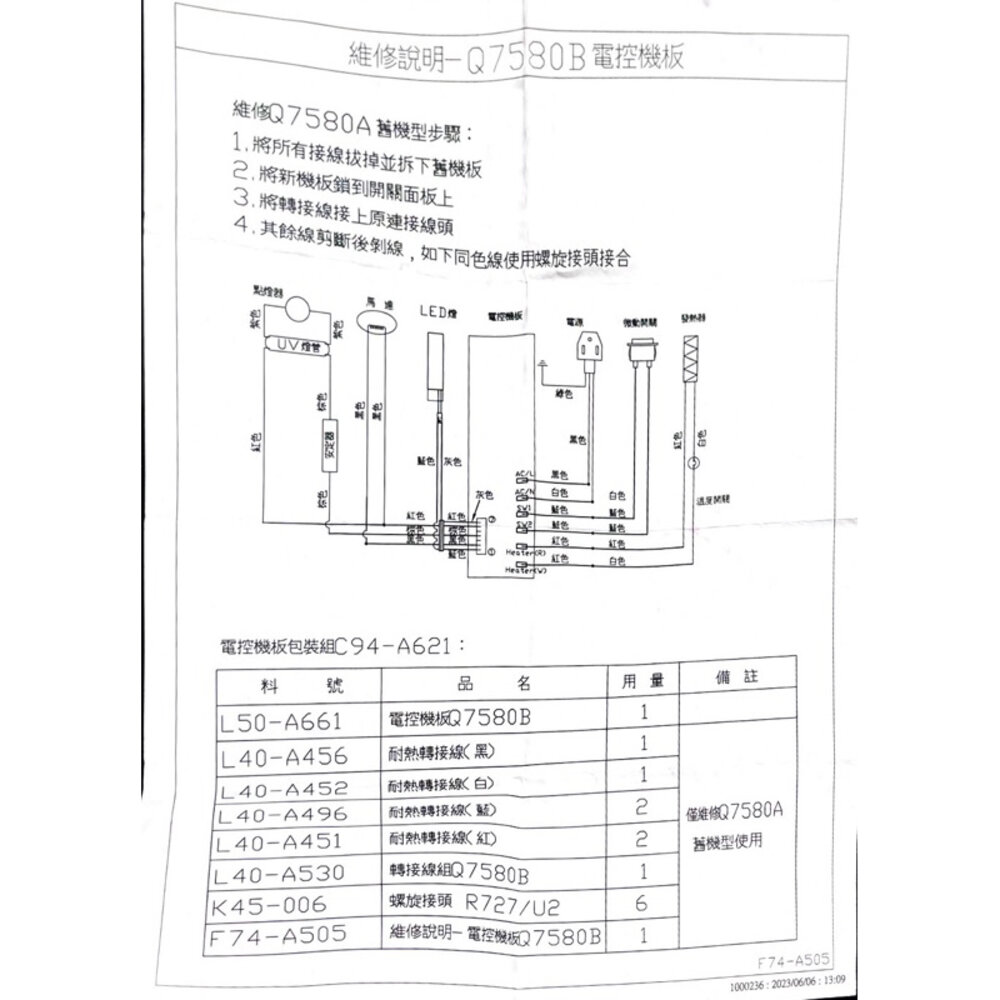
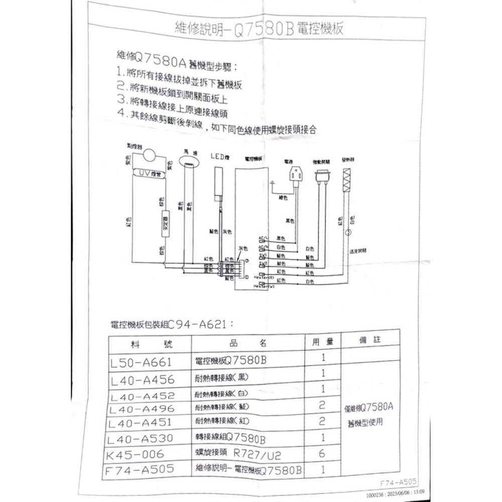
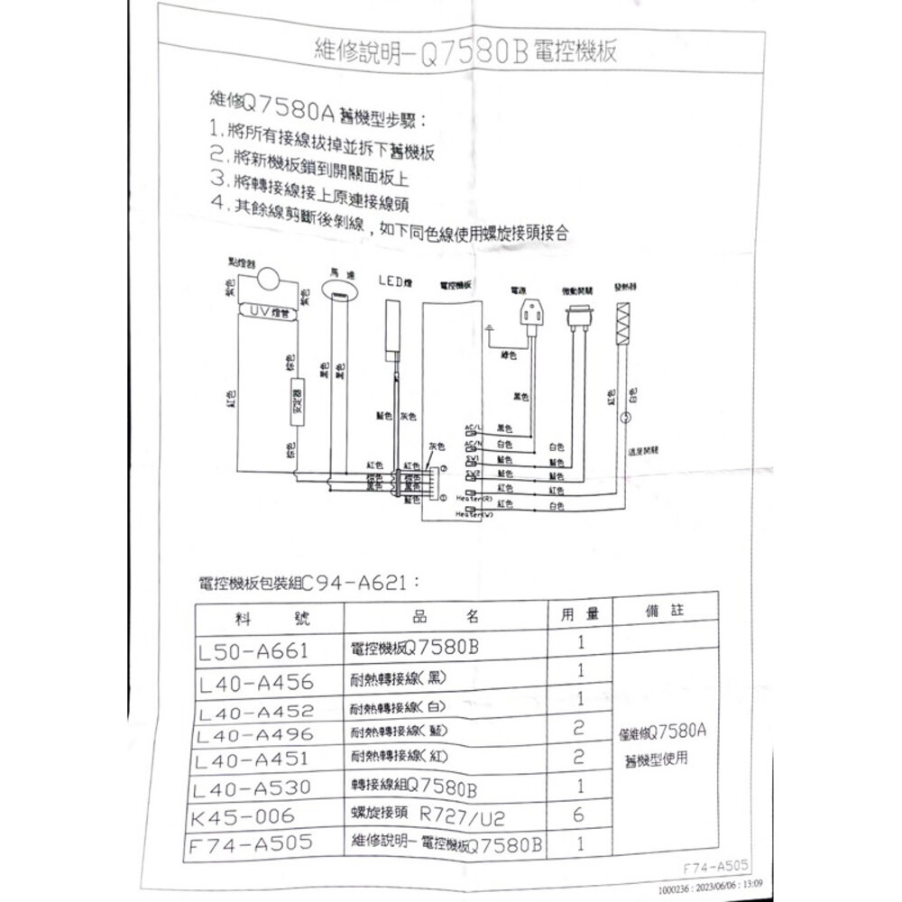
烘碗機維修零件組-櫻花原廠臭氧主機板
*此為新款主機板,因有小改款下單前請先確認外型唷
*烘碗機如無法使用.請換主機板
*可直接至門市取貨省運費喔
#零件 #烘碗機 #臭氧主機板 #q7580 #櫻花
運送與付款
運送方式:7-11, 全家, 萊爾富, 宅配
付款方式:線上刷卡, ATM轉帳, 超商取貨付款
供貨模式:現貨
配送溫層: 常溫